低価格・高品質の光学機器が何でも揃う 株式会社松電舎
高機能ハイスピードカメラ専用ソフトウェア
お問い合わせください
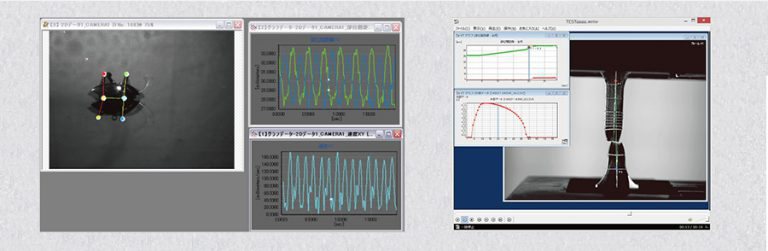
撮影したあらゆる画像から変位・角度・速度などの
動きを定量化、解析します。
ハイスピードカメラはもちろん、市販のビデオカメラや、産業用カメラなどあらゆるカメラで撮影した動画像から最新画像処理技術で科学的データを取り出します。
マーカーがなくても追尾機能に優れています。
グラフデータをCSV形式で保存可能です。
また動画とグラフを同時にムービーに書き出すことが出来、プレゼンテーション等にも大変便利です。
※3次元解析バージョンもございます。詳しくはお問い合わせください。
Example1
衝突実験での人体ダミーの挙動計測
Example2
エンジンの振動、サスペンションなどメカニカルな動きの解析
Example3
昆虫の羽ばたき解析、顕微鏡下での精子、バクテリアの運動解析
ハイスピードカメラはもちろん、市販のビデオカメラや、産業用カメラなどあらゆるカメラで撮影した動画像から 最新画像処理技術で科学的データを取り出します。
マーカーがなくても追尾機能に優れています。
グラフデータをCSV形式で保存可能です。また動画とグラフを同時にムービーに書き出すことが出来、プレゼンテーション等にも大変便利です。
※3次元解析バージョンもございます。詳しくはお問い合わせください。


導入事例や技術資料も豊富にご用意しております。
製品に関するご質問やご要望など、お気軽にお問い合わせください。
携帯・PHS・一部のIP電話
06-6364-5630
携帯・PHS・一部のIP電話
06-6364-3000
Contents
Product Search

USBマイクロスコープ(中倍率)

USBマイクロスコープ(高倍率)

USBマイクロスコープ(低倍率)

同軸照明マイクロスコープ

長距離マイクロスコープ

携帯マイクロスコープ

4Kマイクロスコープ (モニター直結タイプ)

4Kマイクロスコープ (PC接続タイプ)

高倍率高解像度4Kマイクロスコープ (モニター直結タイプ)

観察用 4Kマイクロスコープ

低価格ハイビジョンマイクロスコープ

高機能ハイビジョンマイクロスコープ

測定マイクロスコープ

ハイブリッドマイクロスコープ

オートフォーカスマイクロスコープ

ハイビジョンマイクロスコープ用オプション

ビデオマイクロスコープ

ビデオマイクロスコープ用オプション

XYテーブル

マイクロスコープ用スタンド

マイクロスコープ用小型スタンド

3Dアーム付きスタンド

マイクロスコープ用傾斜スタンド

その他スタンドオプション

マイクロスコープ オプション

イージーアーム

フィルター

ボアスコープ φ4

ボアスコープ φ2.7

ボアスコープ φ10

特殊ボアスコープ

耐熱ボアスコープ φ4

耐熱ボアスコープ φ2.7

耐熱ボアスコープ φ10

くるっとボアスコープ

受注生産ボアスコープ

カメラ撮影システム


