低価格・高品質の光学機器が何でも揃う 株式会社松電舎
両側テレセントリック
¥ 310,000 + tax
視野による画像の歪みが少なく、
奥行きのある部品の形状測定精度を大幅に改善
●物体側、像側ともテレセントリック構造の両側テレセントリックレンズです。
●視野による画像の歪みがなく、奥行きのある部品の形状測定精度を大幅に改善
●より高精度な測定をする場合に使用すると効果的
テレセントリックレンズは、物体距離内のいずれの位置においても一定の倍率を有しているレンズです。
被写界深度内では倍率の変動がありません。
テレセントリックレンズ使用時とマクロレンズ使用時の比較


マクロレンズを使用すると観察物を真上から撮影しても画面中央と端部の視差に歪みが見られます。
しかしテレセントリックレンズを使用すると画面中央と端部の視差による歪みが極めて小さく、 観察物が画面上のどこに映し出されていても正確な画像情報が得られます。
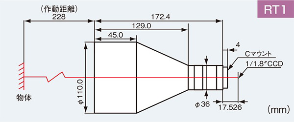
| 型番 | RT1 |
|---|---|
| 光学倍率 | 0.1x |
| 作動距離(W.D.) | 228±4mm |
| 被写界深度 | 34.8mm |
| 開口数(NA) | 0.01 |
| 光学ディストーション | 0.01 |
| 適合カメラ | 1/1.8インチ |
| マウント | Cマウント |
| 視野範囲 1/1.8インチカメラ(H×V) | 63.1mm×47.3mm |
| 視野範囲 1/2インチカメラ(H×V) | 56.8mm×42.6mm |
| 視野範囲 1/2.5インチカメラ(H×V) | 45.4mm×34.0mm |
| 視野範囲 1/3インチカメラ(H×V) | 42.6mm×31.9mm |

We also have a wide range of case studies and technical documents available.
Please feel free to contact us with any questions
or requests you may have about our products.
Mobile phones, PHS, and some IP phones
06-6364-5630
Mobile phones, PHS, and some IP phones
06-6364-3000
Contents
Product Search

4Kマイクロスコープ (モニター直結タイプ)

4Kマイクロスコープ (PC接続タイプ)

高倍率高解像度4Kマイクロスコープ (モニター直結タイプ)

観察用 4Kマイクロスコープ

低価格ハイビジョンマイクロスコープ

高機能ハイビジョンマイクロスコープ

測定マイクロスコープ

ハイブリッドマイクロスコープ

オートフォーカスマイクロスコープ

ハイビジョンマイクロスコープ用オプション

ビデオマイクロスコープ

ビデオマイクロスコープ用オプション

XYテーブル

マイクロスコープ用スタンド

マイクロスコープ用小型スタンド

3Dアーム付きスタンド

マイクロスコープ用傾斜スタンド

その他スタンドオプション

マイクロスコープ オプション

イージーアーム

フィルター
