低価格・高品質の光学機器が何でも揃う 株式会社松電舎
画像処理ソフトウェア
Contact Us
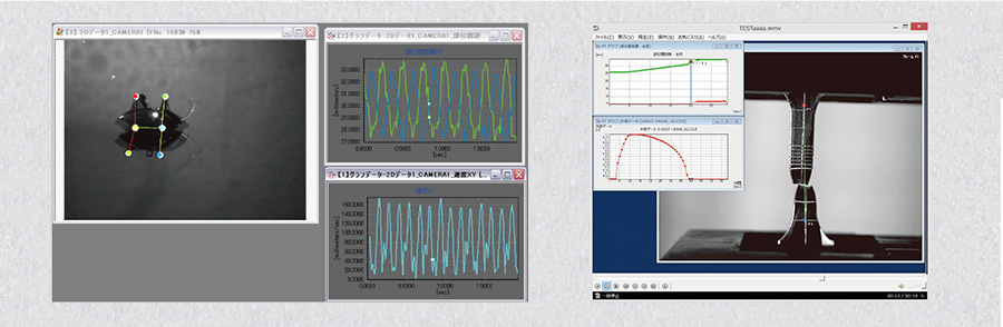
撮影したあらゆる画像から変位・角度・速度などの動きを定量化、解析します。
ハイスピードカメラはもちろん、市販のビデオカメラや、産業用カメラなどあらゆるカメラで撮影した動画像から最新画像処理技術で科学的データを取り出します。
マーカーがなくても追尾機能に優れています。
グラフデータをCSV形式で保存可能です。
また動画とグラフを同時にムービーに書き出すことが出来、プレゼンテーション等にも大変便利です。
※3次元解析バージョンもございます。詳しくはお問い合わせください。
ハイスピードカメラはもちろん、市販のビデオカメラや、産業用カメラなどあらゆるカメラで撮影した動画像から 最新画像処理技術で科学的データを取り出します。
マーカーがなくても追尾機能に優れています。
グラフデータをCSV形式で保存可能です。また動画とグラフを同時にムービーに書き出すことが出来、プレゼンテーション等にも大変便利です。
※3次元解析バージョンもございます。詳しくはお問い合わせください。

スポーツ分野でのフォーム解析、医学分野でのリハビリテーションの運動解析など

エンジン振動、ギアの回転、サスペンションの挙動などメカニカルな動きや衝突実験での人体ダミーの挙動計測、運動解析全般
| 対応OS | Windows 10、11(64bit) |
|---|---|
| CPU | Core-i5相当 または 2.0GHz以上 |
| メモリ | 8GB以上(64bit) |
| ディスプレイ | フルカラー1280×1024以上 |
| インターフェイス | USB2.0以上 1ポート |
We also have a wide range of case studies and technical documents available.
Please feel free to contact us with any questions
or requests you may have about our products.
Mobile phones, PHS, and some IP phones
06-6364-5630
Mobile phones, PHS, and some IP phones
06-6364-3000
Contents
Product Search

4Kマイクロスコープ (モニター直結タイプ)

4Kマイクロスコープ (PC接続タイプ)

高倍率高解像度4Kマイクロスコープ (モニター直結タイプ)

観察用 4Kマイクロスコープ

低価格ハイビジョンマイクロスコープ

高機能ハイビジョンマイクロスコープ

測定マイクロスコープ

ハイブリッドマイクロスコープ

オートフォーカスマイクロスコープ

ハイビジョンマイクロスコープ用オプション

ビデオマイクロスコープ

ビデオマイクロスコープ用オプション

XYテーブル

マイクロスコープ用スタンド

マイクロスコープ用小型スタンド

3Dアーム付きスタンド

マイクロスコープ用傾斜スタンド

その他スタンドオプション

マイクロスコープ オプション

イージーアーム

フィルター